Der Gewitterwarner der FA "FRANZIS"
Test Video des Gewitterwarners 
 |
 |
Das Gerät im Lieferzustand
 |
Die bestückte Leiterplatte
 |
 |
Die Testreihenfolge
 |
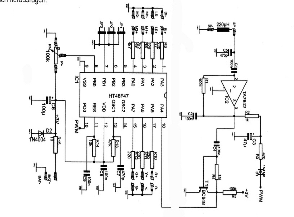
Der Schaltplan des Empfänger`s
 |
Der Bestückungplan des Gewitterwarners
 Das fertige Gerät eingebaut im Gehäuse
 |
 |
 |
 |
 |
Viel Spaß beim Nachbauen, wünscht Bernhard DL7BAC |